
地址:河南省周口市川匯區銀珠大道周口一高南100米
手機:13033969998
熱線:0394-8595585
信箱:455329348@qq.com
網址:m.dongyedatuo.cn
近日在網上小編看到好多人都在找散裝水泥罐的規格圖以及100T水泥罐的圖紙。今天周口錦榮倉儲設備有限公司為大家提供散裝水泥罐的規格圖以及100T水泥罐圖紙和150T水泥罐圖紙。
散裝水泥罐是當下比較普及的水泥罐另外還有一種運輸比較方便的片裝水泥罐。散裝水泥罐從小型到大型分別有30T、50T、80T、100T、150T、200T、300T、500T、1000T,而且散裝水泥罐定制服務更是可以根據需求定制更加適合自己要求的散裝水泥罐。下面就是小型的散裝水泥罐規格圖紙:

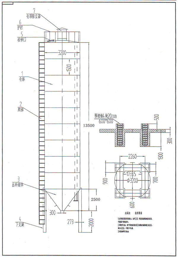
下面是100T水泥罐圖紙圖片:

下面是150T水泥罐圖紙圖片:

周口錦榮倉儲設備有限公司專業提供散裝水泥罐、水泥罐定做,倉庫備有新款小型罐。
推薦閱讀: